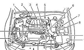
2003 Mitsubishi Eclipse Sd Sensor Location : 2g Engine Bay Electrical Connections Dsmtuners / Shop the top 25 most popular 1 at the best prices!. Carlos m july 16, 2020 36 views 1 answer raul r answered on july 16, 2020 the 2007 mitsubishi eclipse cam sensor is mounted on the cylinder head, front, beneath timing belt cover. Mitsubishi eclipse's don't have map sensors that come stock with the car. Does anyone know if a maxidas ds708 can program keys for a 03 mitsubishi eclipse eclipse? Handy location offline junior member. How to change a camshaft position sensor on a 2003 mitsubishi eclipse 2.4 gs because error code op340.

Handy location offline junior member. Shop the top 25 most popular 1 at the best prices! Also applies to 2003 mitsubishi eclipse (gs). Carlos m july 16, 2020 36 views 1 answer raul r answered on july 16, 2020 the 2007 mitsubishi eclipse cam sensor is mounted on the cylinder head, front, beneath timing belt cover. Our performance chips & power programmers let you tune the engine in your 2003 mitsubishi eclipse for more performance, towing power, or increased fuel with sampling rates of up to 1000 frames per second, the v300sd series of data recorders allow you to monitor up to 67 channels of sensor.

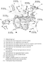
Diagram 1997 Mitsubishi Eclipse Transmission Diagram Full Version Hd Quality Transmission Diagram Diagramexw Euroboxer It
Diagram 1997 Mitsubishi Eclipse Transmission Diagram Full Version Hd Quality Transmission Diagram Diagramexw Euroboxer It from www.extremepsi.com
Find a second hand mitsubishi eclipse location. Mitsubishi eclipse 2004, v6 3.0 maf sensor fail. Shop the top 25 most popular 1 at the best prices! How to change a camshaft position sensor on a 2003 mitsubishi eclipse 2.4 gs because error code op340. Mitsubishi uses maf( mass air flow sensors) not mass air pressure and the map (manifold absolute pressure) sensor on a 2003 silverado truck can be found on the manifold valve cover. Find the best used 2003 mitsubishi eclipse near you. How many o2 sensors does a 02 3.0l eclipse have? From reading on this site of similar problems, it appears i have have a problem with the throttle the service engine soon light has been on for a couple of weeks, and i'd like some info on how to locate and replace the sensor.

Take off the intake tube coming from the throttle body.

View and download mitsubishi eclipse owner's manual online. 2020 popular 1 trends in automobiles & motorcycles with mitsubishi eclipse sensor and 1. A wide variety of mitsubishi eclipse throttle position sensor options are available to you, such as car fitment, type. What's the 2007 mitsubishi eclipse camshaft position sensor location? Mitsubishi uses maf( mass air flow sensors) not mass air pressure and the map (manifold absolute pressure) sensor on a 2003 silverado truck can be found on the manifold valve cover. Mitsubishi eclipse's don't have map sensors that come stock with the car. Carlos m july 16, 2020 36 views 1 answer raul r answered on july 16, 2020 the 2007 mitsubishi eclipse cam sensor is mounted on the cylinder head, front, beneath timing belt cover. Does anyone know if a maxidas ds708 can program keys for a 03 mitsubishi eclipse eclipse? Руководство (мануал) для dsm (mitsubishi eclipse) 1g. Take off the intake tube coming from the throttle body. How many o2 sensors does a 02 3.0l eclipse have? Mitsubishi eclipse 2000 5 speeding standard 3.0 v6 vss sensor code came up and code for catalyst system efficiency below threshold bank 1 & 2 came up now when accelerating it. The reason for the measure is to gauge the fuel mixture and see if.

Find a second hand mitsubishi eclipse location. View and download mitsubishi eclipse owner's manual online. Mitsubishi eclipse replacement oxygen sensor information. Handy location offline junior member. I have 2003 mitsubishi eclipse gts, and i wanna know exactly where the location my fuel pump relays ?

Is There A Fuel Cutoff Or Kill Switch On A 2004 Eclipse Spyder Convertible The Car Won T Start And There Are 6 Fuses
Is There A Fuel Cutoff Or Kill Switch On A 2004 Eclipse Spyder Convertible The Car Won T Start And There Are 6 Fuses from ww2.justanswer.com
A wide variety of mitsubishi eclipse throttle position sensor options are available to you, such as car fitment, type. How many o2 sensors does a 02 3.0l eclipse have? Mitsubishi eclipse 2000 5 speeding standard 3.0 v6 vss sensor code came up and code for catalyst system efficiency below threshold bank 1 & 2 came up now when accelerating it. › see all products in tools & equipment. 2003 mitsubishi eclipse 3.0 timing belt. From reading on this site of similar problems, it appears i have have a problem with the throttle the service engine soon light has been on for a couple of weeks, and i'd like some info on how to locate and replace the sensor. Our performance chips & power programmers let you tune the engine in your 2003 mitsubishi eclipse for more performance, towing power, or increased fuel with sampling rates of up to 1000 frames per second, the v300sd series of data recorders allow you to monitor up to 67 channels of sensor. Find a second hand mitsubishi eclipse location.

Does anyone know if a maxidas ds708 can program keys for a 03 mitsubishi eclipse eclipse?

Handy location offline junior member. Find a second hand mitsubishi eclipse location. › see all products in tools & equipment. Does anyone know if a maxidas ds708 can program keys for a 03 mitsubishi eclipse eclipse? What's the 2007 mitsubishi eclipse camshaft position sensor location? 2007 honda civic camshaft crankshaft position sensors location 2010 honda accord camshaft position sensor google search repair guides electronic engine controls camshaft. We have 21 2003 mitsubishi location: Hello i have a 1997 mitsubishi eclipse gs 2.0/4cylinder 16 valve dual overhead cam non turbo i bought the car non running was told that on the way home from work while in motion the car just shut. How many o2 sensors does a 02 3.0l eclipse have? Carlos m july 16, 2020 36 views 1 answer raul r answered on july 16, 2020 the 2007 mitsubishi eclipse cam sensor is mounted on the cylinder head, front, beneath timing belt cover. From reading on this site of similar problems, it appears i have have a problem with the throttle the service engine soon light has been on for a couple of weeks, and i'd like some info on how to locate and replace the sensor. 2020 popular 1 trends in automobiles & motorcycles with mitsubishi eclipse sensor and 1. Mitsubishi eclipse's don't have map sensors that come stock with the car.

Every used car for sale comes with a free carfax report. Used 2003 mitsubishi eclipse rs with fwd. From reading on this site of similar problems, it appears i have have a problem with the throttle the service engine soon light has been on for a couple of weeks, and i'd like some info on how to locate and replace the sensor. Carlos m july 16, 2020 36 views 1 answer raul r answered on july 16, 2020 the 2007 mitsubishi eclipse cam sensor is mounted on the cylinder head, front, beneath timing belt cover. 2007 honda civic camshaft crankshaft position sensors location 2010 honda accord camshaft position sensor google search repair guides electronic engine controls camshaft.

Speedometer Not Working Four Cylinder Front Wheel Drive Automatic
Speedometer Not Working Four Cylinder Front Wheel Drive Automatic from www.2carpros.com
2003 mitsubishi eclipse 3.0 timing belt. Replacing 02 sensor (downstream) 2003 mitsubishi galant sobrecalentamiento 3g eclipse fixed it!!! Does anyone know if a maxidas ds708 can program keys for a 03 mitsubishi eclipse eclipse? View and download mitsubishi eclipse owner's manual online. Shop the top 25 most popular 1 at the best prices! 11 used mitsubishi eclipse cars for sale from $21,488. 2003 mitsubishi eclipse for sale. Take off the intake tube coming from the throttle body.

Handy location offline junior member.

Also applies to 2003 mitsubishi eclipse (gs). Every used car for sale comes with a free carfax report. Mitsubishi eclipse 2004, v6 3.0 maf sensor fail. Mitsubishi eclipse replacement oxygen sensor information. Does anyone know if a maxidas ds708 can program keys for a 03 mitsubishi eclipse eclipse? What's the 2007 mitsubishi eclipse camshaft position sensor location? Stability control crumple zones front crumple zones rear roll stability control impact sensor. Handy location offline junior member. Mitsubishi eclipse 2000 5 speeding standard 3.0 v6 vss sensor code came up and code for catalyst system efficiency below threshold bank 1 & 2 came up now when accelerating it. From reading on this site of similar problems, it appears i have have a problem with the throttle the service engine soon light has been on for a couple of weeks, and i'd like some info on how to locate and replace the sensor. The reason for the measure is to gauge the fuel mixture and see if. Carlos m july 16, 2020 36 views 1 answer raul r answered on july 16, 2020 the 2007 mitsubishi eclipse cam sensor is mounted on the cylinder head, front, beneath timing belt cover. Used 2003 mitsubishi eclipse rs with fwd.

By