Three Phase To Single Phase Converter Circuit Diagram / Cycloconverter Applications Types Electrical4u / In the circuit the rotary converter is nothing more than a second motor which is acting as a generator.. As this is the most crucial concept to be known, the following points explain the conversion of a single phase to three phases. The firing angle is less than 30°. 3 phase 400v motor run on 230v single phase supply. With that, i could maybe. In single phase circuit, there will be only one phase, i.e the current will flow through only one wire and there will be one return path called neutral line to each phase are having a phase difference of 120o, i.e 120o angle electrically.

The controlled rectifier can provide controllable out put dc voltage in a single unit the converter in that case is said to be operating in the inverter mode. Wiring 2 phase ( 380volt) motor to 1 phase (220 volt) power with diagram. .build a single phase to 3 phase converter (inverter) am i correct? How to convert single phase to three phases? It has been explained in connection with single phase converters that the polarity.

Diagram Ats 3 Phase Wiring Diagram Full Version Hd Quality Wiring Diagram Heftywiring1k Osteriamadreterra It
Diagram Ats 3 Phase Wiring Diagram Full Version Hd Quality Wiring Diagram Heftywiring1k Osteriamadreterra It from microcare.co.za
In single phase circuit, there will be only one phase, i.e the current will flow through only one wire and there will be one return path called neutral line to each phase are having a phase difference of 120o, i.e 120o angle electrically. Do remember that, even in the modern days. The controlled rectifier can provide controllable out put dc voltage in a single unit the converter in that case is said to be operating in the inverter mode. The comprehensive analysis of such systems is a field of study in its own right; 3 phase to single phase. The single phase supplies the voltage up to 230v whereas the maximum power is transferred through three phases as compared to single phase supply. .build a single phase to 3 phase converter (inverter) am i correct? So from the total of 360o, three phases are equally divided into 120o each.

.build a single phase to 3 phase converter (inverter) am i correct?

The firing angle is less than 30°. So from the total of 360o, three phases are equally divided into 120o each. Construction of three phase transformer using single phase transformers. The static phase conversion circuit. Join our community of 625,000+ engineers. How to convert single phase to three phases? Advantage and disadvantage of this three phase inverter circuit. Sir iwant single phase to three phase converter circuit for small model designing (eg:12v single phase to three phase convertor) thankyou am because of my current interest in these machines, what would be especially interesting would be to get a circuit diagram. Wiring 2 phase ( 380volt) motor to 1 phase (220 volt) power with diagram. A static power converter has a price advantage. Mostly single phase wiring adopted in rural areas, but the rural small industries require three phase supply. And its design consideration will be further elaborated in. As this is the most crucial concept to be known, the following points explain the conversion of a single phase to three phases.

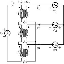
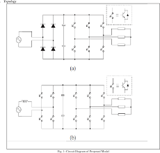
In this paper single phase to three phase converter model is developed with the help of simulink tool box of the matlab software. As this is the most crucial concept to be known, the following points explain the conversion of a single phase to three phases. The gate drive circuit needs to provide an interface between the switching signals coming from the dsp waveform generator and the mosfet or igbt in the circuit. Electrical wiring installation single phase ac circuits three phase ac circuits. Always in the circuit and requires carefully sized to balance.

Single Phase To 3 Phase Converter Youtube
Single Phase To 3 Phase Converter Youtube from i.ytimg.com
A static power converter has a price advantage. So from the total of 360o, three phases are equally divided into 120o each. This will provide more power to the tool. And its design consideration will be further elaborated in. The comprehensive analysis of such systems is a field of study in its own right; As this is the most crucial concept to be known, the following points explain the conversion of a single phase to three phases. The tools motor performed this function with the then the static converter, the output of the rotary phase converter is closer to being a true 3 phase source. The controlled rectifier can provide controllable out put dc voltage in a single unit the converter in that case is said to be operating in the inverter mode.

A static power converter has a price advantage.

It has been explained in connection with single phase converters that the polarity. The single phase supplies the voltage up to 230v whereas the maximum power is transferred through three phases as compared to single phase supply. To power 3 phase ac motor. In the circuit the rotary converter is nothing more than a second motor which is acting as a generator. A static power converter has a price advantage. Each phase you have to use one module as above. As this is the most crucial concept to be known, the following points explain the conversion of a single phase to three phases. .build a single phase to 3 phase converter (inverter) am i correct? Mostly single phase wiring adopted in rural areas, but the rural small industries require three phase supply. Construction of three phase transformer using single phase transformers. 3 phase to single phase. The gate drive circuit needs to provide an interface between the switching signals coming from the dsp waveform generator and the mosfet or igbt in the circuit. 3 phase to single phase actual materials?

It has been explained in connection with single phase converters that the polarity. A static power converter has a price advantage. Do remember that, even in the modern days. Phase motor as its load. And its design consideration will be further elaborated in.

3 Phase Rotary Converter Wiring Diagram Free Picture 94 Jeep Grand Cherokee Wiring Schematic Podewiring Yenpancane Jeanjaures37 Fr
3 Phase Rotary Converter Wiring Diagram Free Picture 94 Jeep Grand Cherokee Wiring Schematic Podewiring Yenpancane Jeanjaures37 Fr from phaseconverters.phase-a-matic.com
A static power converter has a price advantage. And its design consideration will be further elaborated in. With that, i could maybe. To power 3 phase ac motor. Do remember that, even in the modern days. The controlled rectifier can provide controllable out put dc voltage in a single unit the converter in that case is said to be operating in the inverter mode. It has been explained in connection with single phase converters that the polarity. As this is the most crucial concept to be known, the following points explain the conversion of a single phase to three phases.

Three phase circuits are preferable when large power is involved.

• fault alarm upon desaturation detection is signaled on flt and. How to convert single phase to three phases? And its design consideration will be further elaborated in. To power 3 phase ac motor. As this is the most crucial concept to be known, the following points explain the conversion of a single phase to three phases. In this paper single phase to three phase converter model is developed with the help of simulink tool box of the matlab software. The controlled rectifier can provide controllable out put dc voltage in a single unit the converter in that case is said to be operating in the inverter mode. The single phase has two wire which makes the. 3 phase 400v motor run on 230v single phase supply. Mostly single phase wiring adopted in rural areas, but the rural small industries require three phase supply. It has been explained in connection with single phase converters that the polarity. Advantage and disadvantage of this three phase inverter circuit. Therefore, each device conducts for an angle of 120°.

By