Trailer Wire Diagram : Trailer Wiring Diagram Lights Brakes Routing Wires Connectors : I hope it helps you.. I hope it helps you. Detailed coloured12n trailer wiring diagram which is commonly used on uk and european trailers and caravans from western towing. Trailer wiring diagram, trailer brake light plug wiring diagram, electric trailer brakes, hitch lights, 7 pin, 7 way, 7 wire, 6 pin, 6 way, 6 wire, 4 pin, 4 way, 4 wire, connector, connection, utility, horse. This automobile is designed not just to travel 1. If that wire runs to one wheel, then the other, then the other and the other as demonstrated above.

This video will provide the color layout for a 4 flat connector and a source to get a wiring diagram. Australian trailer plug & socket wiring diagrams. A brake controller has only one output wire. Anyone have a wiring diagram for the trailer hitch harness? Does one of your turn signals not work and you're not sure which wire to inspect?

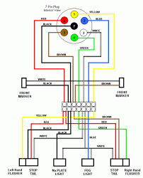
How To Wire A 7 Pin Trailer Plug Diagram Shown Youtube
How To Wire A 7 Pin Trailer Plug Diagram Shown Youtube from i.ytimg.com
The above are to australian trailer wiring standards. A brake controller has only one output wire. 1st august 2017 by western towing. Diagrams are looking from the outside of the plug or socket. This type of connector is normally found on utvs, atvs and trailers that do not have their own braking system. The use of an electrical circuit tester is recommended to ensure proper match of vehicle's wiring to. Learn all about trailer wiring at howstuffworks. Detailed coloured12n trailer wiring diagram which is commonly used on uk and european trailers and caravans from western towing.

Not all trailers/vehicles are wired to this standard.

I want to wire up some side marker lights and think it would be best to wire into this than the underhood box plus the wires would be easier to get to. Round 1 1/4 diameter metal connector allows 1 or 2 additional wiring and lighting functions such as back up lights, auxiliary 12v power or electric brakes. 1st august 2017 by western towing. Not all trailers/vehicles are wired to this standard. The following trailer wiring diagram(s) and explanations are a cross between an electrical schematic and wiring on a trailer. To wire a trailer, the first step is to determine what components on the trailer need wiring. Includes 5 and 7 wire plug and trailer wiring schematics. Trailers are required to have at least running lights, turn signals and brake lights. Anyone have a wiring diagram for the trailer hitch harness? A brake controller has only one output wire. This video will provide the color layout for a 4 flat connector and a source to get a wiring diagram. This color trailer wiring diagram will help you when you need to connect your trailer to your truck's wiring harness or repair a wire that isn't working. The above are to australian trailer wiring standards.

Learn all about trailer wiring at howstuffworks. Trailer wiring diagram, trailer brake light plug wiring diagram, electric trailer brakes, hitch lights, 7 pin, 7 way, 7 wire, 6 pin, 6 way, 6 wire, 4 pin, 4 way, 4 wire, connector, connection, utility, horse. To wire a trailer, the first step is to determine what components on the trailer need wiring. A brake controller has only one output wire. If that wire runs to one wheel, then the other, then the other and the other as demonstrated above.

Trailer Wiring Diagrams North Texas Trailers Fort Worth
Trailer Wiring Diagrams North Texas Trailers Fort Worth from www.northtexastrailers.com
This article shows 4 ,7 pin trailer wiring diagram connector and step how to wire a trailer harness with color code ,there are some intricacies involved in wiring a trailer. Trailer wiring diagram, trailer brake light plug wiring diagram, electric trailer brakes, hitch lights, 7 pin, 7 way, 7 wire, 6 pin, 6 way, 6 wire, 4 pin, 4 way, 4 wire, connector, connection, utility, horse. Trailer wiring diagrams showing you the typical wiring for most single axle trailer and tandem axle trailers. Does one of your turn signals not work and you're not sure which wire to inspect? This video will provide the color layout for a 4 flat connector and a source to get a wiring diagram. Unclip the wiring from the trailer frame, working your way from the back of the trailer to the front. Use this as a reference when working on your boat trailer wiring. Standard electrical connector wiring diagram.

This article shows 4 ,7 pin trailer wiring diagram connector and step how to wire a trailer harness with color code ,there are some intricacies involved in wiring a trailer.

The use of an electrical circuit tester is recommended to ensure proper match of vehicle's wiring to. Unclip the wiring from the trailer frame, working your way from the back of the trailer to the front. 4 pin trailer plug light wiring diagram color code trailer. This is accomplished through either. I hope it helps you. Or why not make your diy installation easier with our 'plug and play' solutions. A brake controller has only one output wire. Boat trailer color wiring diagram. Are now using 5 wire flat plug wiring to be more compatible with 4 and 5. This color trailer wiring diagram will help you when you need to connect your trailer to your truck's wiring harness or repair a wire that isn't working. If that wire runs to one wheel, then the other, then the other and the other as demonstrated above. 4 pin trailer wiring diagram. 1st august 2017 by western towing.

Includes 5 and 7 wire plug and trailer wiring schematics. This automobile is designed not just to travel 1. Home > useful information > wiring diagram. How i rewired my trailer. The wiring schematic that we use is:

Trailer Wiring Diagrams Etrailer Com
Trailer Wiring Diagrams Etrailer Com from www.etrailer.com
Not sure which wires attach to what on your trailer connectors? A number of standards prevail in north america, or parts of it, for trailer connectors, the electrical connectors between vehicles and the trailers they tow that provide a means of control for the trailers. Trailer wiring diagram, trailer brake light plug wiring diagram, electric trailer brakes, hitch lights, 7 pin, 7 way, 7 wire, 6 pin, 6 way, 6 wire, 4 pin, 4 way, 4 wire, connector, connection, utility, horse. Identify the wires on your vehicle and trailer by function only. Bike to trailer wiring diagram. This article shows 4 ,7 pin trailer wiring diagram connector and step how to wire a trailer harness with color code ,there are some intricacies involved in wiring a trailer. This is accomplished through either. Unclip the wiring from the trailer frame, working your way from the back of the trailer to the front.

7 wire trailer circuit, 6 wire trailer circuit, 4 wire trailer circuit and other trailer wiring diagrams.

Round 1 1/4 diameter metal connector allows 1 or 2 additional wiring and lighting functions such as back up lights, auxiliary 12v power or electric brakes. Not all trailers/vehicles are wired to this standard. I want to wire up some side marker lights and think it would be best to wire into this than the underhood box plus the wires would be easier to get to. We recommend these standards because they are pretty universal. This article shows 4 ,7 pin trailer wiring diagram connector and step how to wire a trailer harness with color code ,there are some intricacies involved in wiring a trailer. Or why not make your diy installation easier with our 'plug and play' solutions. This automobile is designed not just to travel 1. This color trailer wiring diagram will help you when you need to connect your trailer to your truck's wiring harness or repair a wire that isn't working. I hope it helps you. Diagrams are looking from the outside of the plug or socket. This video will provide the color layout for a 4 flat connector and a source to get a wiring diagram. The following page contains information about trailer to vehicle wiring diagrams including: Unclip the wiring from the trailer frame, working your way from the back of the trailer to the front.

By