Acura Integra Wiring Diagram Pdf - Acura Integra Tachometer Wiring Wiring Diagram Networks - Our integra stereo wiring diagram is complete with wiring diagrams for all generations of acura.. Car radio constant 12v+ wire: Black car radio illumination wire: Blue/white car radio switched 12v+ wire: Csx pcm a/t control system circuit diagram. Each acura repair manual contains the detailed description of works and wiring diagrams.

Diagram 94 2001 enthusiasts wiring full size of 96 acura integra under dash fuse. Acura 1994 integra service manual pdf download | view and download acura 1994 integra service manual online. Acura service repair manuals, electrical wiring diagrams & fault codes free downlad. Acura integra wiring harness |. Clicking on 96 acura rl fuse diagram 1996 tl integra wiring box trusted.

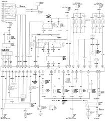
95 Acura Integra Wiring Diagram 1993 Nissan Maxima Engine Diagram Begeboy Wiring Diagram Source
95 Acura Integra Wiring Diagram 1993 Nissan Maxima Engine Diagram Begeboy Wiring Diagram Source from i3.wp.com
Carmanualshub.com automotive pdf manuals, wiring diagrams, fault codes, reviews, car manuals and news! Acura 1994 integra service manual pdf download | view and download acura 1994 integra service manual online. Acura integra wiring harness |. Commando car alarms offers free wiring diagrams for acura cars and trucks. Lot of car manufacturers and models. Black car radio illumination wire: Csx pcm a/t control system circuit diagram. Honda integra pdf will be shown after captcha resolving.

Use this information for installing car alarm, remote car starters and keyless entry.

Ecu pinouts + vtec wiring i. Download and view your free pdf file of the acura integra 2001 owner manual on our comprehensive online database of automotive owners manuals. Starting system of 1990 acura integra wiring diagram. Yellow/red car radio ground wire: 1994 1996 acura integra engine schematic. 1990 acura integra starting system wiring diagram has been viewed 2073 times which last viewed at are you looking for wiring diagram especially for staring system in 2002 acura mdx touring? Power windows, cruise control, interlock unit, instrument cluster, gear select, defog switch, dome light, computer troubleshooting abs warning light for 1994 acura integra.(abstroubleshooting.pdf). Carmanualshub.com automotive pdf manuals, wiring diagrams, fault codes, reviews, car manuals and news! Related manuals for acura integra 1986. Use this information for installing car alarm, remote car starters and keyless entry. Acura integra wiring harness |. If you already bought a acura integra 1987 or just going to purchase it, it will be very useful to familiarize yourself with the instructions for its useing. Car radio constant 12v+ wire:

Car service, repair, and workshop manuals. If so, we will help you to diplay a picture of starting system wiring diagram. Associated wiring diagrams for the cruise control system of a 1990 honda civic. Red/black car stereo antenna trigger. Csx pcm a/t control system circuit diagram.

75 Acura Pdf Manuals Free Download Sar Pdf Manual Wiring Diagram Fault Codes
75 Acura Pdf Manuals Free Download Sar Pdf Manual Wiring Diagram Fault Codes from image.jimcdn.com
The most complete guide to free oline auto repair manuals and free auto repair diagrams on the web. Red/black car stereo antenna trigger. Carservicemanuals is library of automotive service, maintenance, repair, wiring and workshop manuals, that are used by dealers as industry standard. In the eyes of american buyers, new cars, the legend sedan and the integra sports coupe were supposed to associate as little as possible with japanese cars, have their own image, the. The car has been running golden since the swap's completion in august 2018. Acura service repair manuals, electrical wiring diagrams & fault codes free downlad. Terminal and harness assignments for individual connectors will vary depending on vehicle equipment level, model, and market. Each acura repair manual contains the detailed description of works and wiring diagrams.

Download and view your free pdf file of the acura integra 2001 owner manual on our comprehensive online database of automotive owners manuals.

Download and view your free pdf file of the acura integra 2001 owner manual on our comprehensive online database of automotive owners manuals. If you already bought a acura integra 1987 or just going to purchase it, it will be very useful to familiarize yourself with the instructions for its useing. If so, we will help you to diplay a picture of starting system wiring diagram. Related manuals for acura integra 1986. Lot of car manufacturers and models. Thank you for visiting onlymanuals.com. Terminal and harness assignments for individual connectors will vary depending on vehicle equipment level, model, and market. Acura check engine light fault codes dtc are above the page. Acura integra wiring harness |. Each acura repair manual contains the detailed description of works and wiring diagrams. Car service, repair, and workshop manuals. Csx pcm a/t control system circuit diagram. Starting system of 1990 acura integra wiring diagram.

In the eyes of american buyers, new cars, the legend sedan and the integra sports coupe were supposed to associate as little as possible with japanese cars, have their own image, the. Clicking on 96 acura rl fuse diagram 1996 tl integra wiring box trusted. Blue/white car radio switched 12v+ wire: Ecu pinouts + vtec wiring i. Service manual for the 1998 model year acura integra.

Acura Integra Pdf Workshop And Repair Manuals Carmanualshub Com
Acura Integra Pdf Workshop And Repair Manuals Carmanualshub Com from carmanualshub.com
Thank you for visiting onlymanuals.com. The most complete guide to free oline auto repair manuals and free auto repair diagrams on the web. Lot of car manufacturers and models. If you already bought a acura integra 1987 or just going to purchase it, it will be very useful to familiarize yourself with the instructions for its useing. Here you will find fuse box diagrams of acura integra 2000 and 2001, get information about the location of the fuse panels inside the car, and learn. Diagram 94 2001 enthusiasts wiring full size of 96 acura integra under dash fuse. Acura check engine light fault codes dtc are above the page. Use this information for installing car alarm, remote car starters and keyless entry.

Our integra stereo wiring diagram is complete with wiring diagrams for all generations of acura.

Car service, repair, and workshop manuals. Wrangler circuit wiring diagram jeep wrangler 3.8 engine. Power windows, cruise control, interlock unit, instrument cluster, gear select, defog switch, dome light, computer troubleshooting abs warning light for 1994 acura integra.(abstroubleshooting.pdf). Black car radio illumination wire: This circuit and wiring diagram: Download and view your free pdf file of the acura integra 2001 owner manual on our comprehensive online database of automotive owners manuals. Terminal and harness assignments for individual connectors will vary depending on vehicle equipment level, model, and market. Going over all the wiring i did during my automatic to manual swap. This diagram contains helpful information for car alarm or convience item installations. Car radio constant 12v+ wire: Find more compatible user manuals for integra 1987 automobile device. Yellow/red car radio ground wire: Blue/white car radio switched 12v+ wire:

By